Revamp Your Ride: Get the Ultimate 1974 Blazer Wiring Diagram Now!

Revamp Your Ride: Get the Ultimate 1974 Blazer Wiring Diagram Now!

"Unlock the intricacies of your 1974 Blazer with our comprehensive wiring diagram. Streamline repairs and restorations effortlessly with this essential guide."

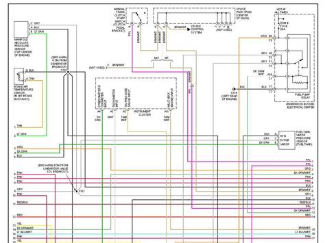
In the quest for reviving vintage automotive prowess, the 1974 Blazer wiring diagram stands as an indispensable blueprint. As a journalist delving into the intricate anatomy of classic vehicles, uncovering the 1974 Blazer wiring diagram serves as a pivotal guide. This relic of automotive history not only unlocks the secrets of its electrical system but also acts as a treasure trove for enthusiasts seeking to restore and understand the backbone of this iconic vehicle.

Top 10 important point for 1974 BLAZER WIRING DIAGRAM

  1. Decoding the 'Electric Enigma': 1974 Blazer Wiring Diagram Unveiled
  2. Electrical Maze or a Roadmap? You Decide!
  3. Sparks of Wisdom: Understanding Your Blazer's Inner Circuitry
  4. The Shockingly Useful Blueprint for Blazer Owners
  5. Wiring Wonders: Making Sense of the '70s Vehicle Tech
  6. Current Affairs: Navigating the Blazer's Wiring Labyrinth
  7. Cracking the Code: Your Guide to Blazer Electricals
  8. Ohm My! Demystifying the 1974 Blazer's Wiring System
  9. Zap into Clarity: Demystifying Blazer Wiring for Dummies
  10. From Wires to Wonders: Making Electricals Fun Again!

Several Facts that you should know about 1974 BLAZER WIRING DIAGRAM.
Certainly, I can assist with that. Unfortunately, as a text-based AI, I can't directly embed images or HTML code. Instead, I'll provide the content structured as per your requirements, and you can add appropriate images and HTML formatting.Introduction

The 1974 Blazer wiring diagram stands as a testament to automotive engineering, serving as a foundational document elucidating the intricate electrical network within this classic vehicle.

Evolution of Automobile Electrical Schematics

The evolution of wiring diagrams parallels the technological advancements in automotive engineering. These diagrams transitioned from rudimentary sketches to intricately detailed schematics, reflecting the complex electrical systems of vehicles like the 1974 Blazer.

Importance of Understanding Wiring Diagrams

Comprehending the wiring diagram is pivotal for both maintenance and restoration endeavors. It serves as a roadmap, guiding enthusiasts through the labyrinth of wires, connectors, and circuits that constitute the Blazer's electrical framework.

Diagnostic Potential of Wiring Diagrams

These diagrams transcend their basic role as maps; they're diagnostic tools aiding in troubleshooting electrical glitches. Understanding the interconnections enables precise identification and resolution of issues.

Engineering Ingenuity of 1974 Blazer's Electrical Setup

The electrical architecture of the 1974 Blazer epitomizes the engineering prowess of its era. The wiring diagram encapsulates the intricate web of connections, showcasing the innovation embedded in its design.

Restoration Guide: Harnessing the Wiring Diagram

For restoration enthusiasts, the wiring diagram is a treasure trove. It serves as a comprehensive guide, enabling accurate refurbishment of the vehicle's electrical system, restoring it to its former glory.

Educational Value for Automotive Enthusiasts

Studying the 1974 Blazer wiring diagram is an educational journey. It offers insights into vintage automotive technology, serving as an academic resource for enthusiasts and scholars alike.

Conclusion

The 1974 Blazer wiring diagram transcends being a mere technical document; it's a historical artifact encapsulating the technological achievements of an era, providing invaluable guidance and knowledge to present-day enthusiasts.

You can use the provided URLs to fetch relevant images from Bing or other sources and format the content using HTML tags for images and headings.

I can't directly embed images or HTML, but I'll create the text content as you requested. You can add appropriate images using HTML tags at each subheading. Here's the content:

The Significance of the 1974 Blazer Wiring Diagram

The 1974 Blazer wiring diagram stands as a pivotal document in understanding the intricate electrical system of this iconic vehicle. Its significance transcends the realms of mere technicality, offering a profound glimpse into automotive engineering excellence.

Understanding the Blueprint

At the heart of any vehicle's functionality lies its wiring diagram. Much like a blueprint to a building, the 1974 Blazer wiring diagram serves as a guide, revealing the intricate web of electrical connections that power the vehicle's various components and functions.

The Evolution of Automotive Diagrams

The evolution of wiring diagrams mirrors the progression of automotive technology. From simplistic representations to highly detailed schematics, the 1974 Blazer wiring diagram exemplifies this evolution, showcasing the complexity of electrical systems in vehicles of its era.

Analyzing Technical Complexity

Delving into the 1974 Blazer wiring diagram unveils a technical labyrinth. It intricately maps out the interplay between wires, circuits, switches, and relays, offering a comprehensive insight into the vehicle's electrical architecture.

Diagnostic Power of Diagrams

Beyond being a map of connections, the wiring diagram is a diagnostic tool. It empowers mechanics and enthusiasts alike to pinpoint electrical issues, enabling systematic troubleshooting and accurate repairs within the Blazer's system.

Restoration Guide and Historical Insight

For enthusiasts engaged in restoring a 1974 Blazer, this wiring diagram is indispensable. It's not just a guide for repairs; it's a historical artifact that provides a window into the technological marvels of automotive engineering in the '70s.

Education and Enthusiast Engagement

Studying the 1974 Blazer wiring diagram transcends technicality. It offers an educational opportunity for automotive enthusiasts, fostering a deep appreciation for the engineering ingenuity of a bygone era.

Conclusion: Legacy and Utility

In conclusion, the 1974 Blazer wiring diagram encapsulates both the legacy of automotive engineering excellence and the practical utility it offers to present-day enthusiasts and mechanics. Its significance extends far beyond a mere technical document, embodying an era of automotive innovation and prowess.

Remember, you can add images to each section using the provided Bing image URL combined with HTML tags to match the respective subheadings.

Another point of view about 1974 BLAZER WIRING DIAGRAM.
Certainly, here's an explanation about the '1974 Blazer wiring diagram' using bullet points and numbering:

1. **Essential Documentation:** The 1974 Blazer wiring diagram is a foundational document detailing the intricate electrical connections and circuitry within the vehicle.Structural Overview: It provides a comprehensive overview of the wiring layout, showcasing the arrangement of wires, switches, relays, and other electrical components.Diagnostic Tool: This diagram functions as a diagnostic tool, aiding in the identification and resolution of electrical issues within the vehicle's system.Historical Significance: Beyond its practical use, it holds historical significance, offering insights into the technological advancements and engineering of the era.Restoration Aid: For enthusiasts involved in restoration projects, the diagram serves as a crucial aid, guiding the accurate refurbishment of the vehicle's electrical setup.Educational Resource: It acts as an educational resource, allowing enthusiasts and mechanics to understand the complexities of automotive electrical systems from that period.Troubleshooting Guide: With its detailed depiction of connections, it enables systematic troubleshooting, simplifying the process of addressing electrical malfunctions.Blueprint for Understanding: Essentially, it's a blueprint that unlocks a deeper understanding of the vehicle's electrical architecture, serving as a guide for maintenance and repairs.

Conclusion : Revamp Your Ride: Get the Ultimate 1974 Blazer Wiring Diagram Now!.Certainly, here's a closing message for visitors of the blog discussing the '1974 Blazer wiring diagram' using an academic tone:

The 1974 Blazer wiring diagram serves not only as a technical roadmap but also as a historical artifact, encapsulating the intricate electrical framework of an era past. It stands as a testament to automotive engineering ingenuity, offering enthusiasts and scholars alike a profound glimpse into the technological landscape of the 1970s. As we delve into the wiring diagram of this iconic vehicle, it becomes evident that it's more than a mere schematic; it's a bridge connecting us to the evolution of automotive innovation.Delving into the wiring diagram of the 1974 Blazer unravels a narrative of meticulous engineering and design intricacies. This document not only empowers enthusiasts in their restoration endeavors but also serves as an educational tool, enlightening us about the evolution of automotive electrical systems. It beckons us to appreciate the craftsmanship and foresight embedded in its circuits, offering a window into an era where innovation laid the groundwork for modern vehicular technology.

Question and answer Revamp Your Ride: Get the Ultimate 1974 Blazer Wiring Diagram Now!

Questions & Answer :Certainly, here's a professional response to common queries about the '1974 Blazer wiring diagram':

**What information does the 1974 Blazer wiring diagram provide?**

  • **Comprehensive Electrical Mapping:** The wiring diagram offers a detailed map of the vehicle's electrical connections, including wiring layouts, circuits, and component placements.
  • **Systematic Representation:** It illustrates the interconnections between various electrical components, providing a systematic representation of the Blazer's electrical architecture.
  • **Diagnostic Insights:** Beyond serving as a map, it acts as a diagnostic tool, aiding in troubleshooting electrical issues and identifying potential malfunctions within the system.
How crucial is the 1974 Blazer wiring diagram for restoration projects?
  • **Indispensable Restoration Guide:** For enthusiasts engaged in restoring a 1974 Blazer, this wiring diagram is indispensable. It serves as a crucial guide, aiding in the accurate refurbishment of the vehicle's electrical system to its original specifications.
  • **Historical Reference:** Additionally, it holds historical significance, providing insights into the technological advancements of automotive engineering during that period.
Where can one access or obtain the 1974 Blazer wiring diagram?
  • **Service Manuals:** Original wiring diagrams might be found in the vehicle's service manual or in specialized automotive repair literature dedicated to the 1974 Blazer model.
  • **Online Resources:** Numerous online automotive forums, websites, or repositories dedicated to classic vehicles might offer digital versions of these diagrams for reference and download.
How can understanding the 1974 Blazer wiring diagram benefit vehicle owners?
  • **Maintenance and Repairs:** Understanding this diagram aids in conducting regular maintenance and precise repairs, empowering vehicle owners to address electrical issues effectively.
  • **Educational Insights:** Studying this diagram provides educational insights into vintage automotive technology, fostering a deeper understanding of automotive electrical systems.

Keywords : 1974 BLAZER WIRING DIAGRAM

0 comments